拝啓 時下益々ご清祥のこととお喜び申し上げます。平素は格別のご高配を賜り厚くお礼申し上げます。狭隘部でのリベット締結を可能にするコーナーヘッド(及び専用アダプター)につきまして、ご好評いただいている「PCH-M」(φ3.2~φ4.8)に加え、φ6.4、UGリベットの締結が可能なロングストロークのコーナーヘッド「PCH-L」を新発売させていただきます。PCH-Lは工具不要でヘッド部の回転を可能としております。

今後とも、ポップリベット・ファスナー株式会社は総合ファスニングシステムメーカーを目指し邁進し続けますので、何卒ご高承のうえ、倍旧のご愛顧を賜りますよう、宜しくお願い申し上げます。

敬具

インダストリアル営業部の受注・出荷業務、オートモーティブ営業部の受注・出荷業務を下記日程で対応させていただきます。

  • 8月9日(金)の出荷に関しては、8/10~8/19までの着日指定を優先して出荷致します。
  • 8月10日(土)に関しては路線便各社休業につき出荷はございません。
  • 到着日ご指定での、事前のご注文は承ります。
  • 8月19日(月)からは平常通り出荷いたします。
  1. 製品ご紹介
    コーナーヘッド品名 PCH-M(好評発売中)
    コーナーヘッド寸法
    適応リベットサイズ φ3.2 ~ φ4.8
    ストローク 20mm
    重量(コーナーヘッド) 290g
    適応ツール ProSetXT2(空油圧)用 PB2500(バッテリー)用
    品名(アダプター) TRM00477 TRM00544
    ヘッド部の回転 工具必要(セットスクリュ用)
    2.5mm六角レンチ
    工具不要
    重量(アダプター) 149g 203g
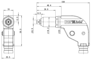
    コーナーヘッド品名 PCH-L(2024年11月新発売)
    コーナーヘッド寸法
    適応リベットサイズ φ4.8 ~ φ6.4
    ストローク 27mm
    重量(コーナーヘッド) 585g
    適応ツール ProSetXT3(空油圧)用 PB3400(バッテリー)用
    品名(アダプター) TRM01344 TRM01345
    ヘッド部の回転 工具不要 工具不要
    重量(アダプター) 342g 265g
    ツール本体との取り付けイメージ
    (狭隘部での締結)

  2. 販売開始日程
    PCH-M:好評発売中
    PCH-L:2024年11月新発売

備考①: 従来通りではございますが、コーナーヘッドの各ツールへのお取り付けは、お客様によるご対応をお願いいたします。
備考②: POPインフォメーションは、弊社HPで公開中です。https://www.stanleyengineeredfastening.com/ja-JP/POP-Information